2001 Nissan Pathfinder Stereo Wiring Diagram : 08 Nissan Pathfinder Radio Wiring Diagram Vw Beetle Door Lock Wiring Diagram Yjm308 Yenpancane Jeanjaures37 Fr : Metra preassembled wiring harnesses can make your car stereo installation seamless, or at least a lot simpler.. How to nissan pathfinder stereo wiring diagram. Will be different from one another. One of the most time consuming tasks with installing an after market car stereo, car radio, car speakers, car subwoofer, car amplifier, head unit, mobile … 2001 nissan pathfinder car stereo wiring diagram read more » We all know everyones opinions; 1990 nissan pathfinder 4dr suv wiring information

Nissan et rh blaupunkt bp 9349 mid lhd blaupunkt bp 9345. Step by step installation instructions complete with photos, tool list, and wiring detail. 2001 nissan pathfinder stereo wiring diagram. Here are the parts i ordered and installed from sonic electronix: Whether your an expert nissan electronics installer or a novice nissan enthusiast with a 2001 nissan pathfinder, a nissan car stereo wiring diagram can save yourself a lot of time.

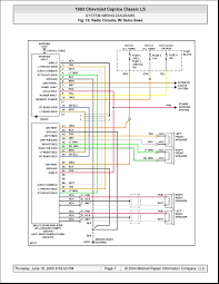
Nissan Xterra 2001 Radio Wiring Diagram Wiring Diagram Tags Tan Terms Tan Terms Discoveriran It
Nissan Xterra 2001 Radio Wiring Diagram Wiring Diagram Tags Tan Terms Tan Terms Discoveriran It from static-cdn.imageservice.cloud
I had brought the car to a shop where they installed that stereo and the controls were not working but i didn't want to bring it back to them. Thank you for your help with my 2014 pathfinder s. One of the most time consuming tasks with installing an after market car stereo, car radio, car speakers, car subwoofer, car amplifier, head unit, mobile … 2001 nissan pathfinder car stereo wiring diagram read more » Pink/black left front speaker positive wire (+): 2001 nissan pathfinder stereo wiring information. Patreon subscribers get to see the premium content first!htt. , this link shows bank 1 on a 2001 nissan maxima v6 being on the firewall side. 2001 nissan xterra 4dr suv wiring information:

I had brought the car to a shop where they installed that stereo and the controls were not working but i didn't want to bring it back to them.

It shows the components of the circuit as simplified shapes, and the knack and signal connections in the middle of the devices. 2001 nissan pathfinder fuse panel diagram wiring schematic frontier fuse box wiring library Nissan pathfinder 2001, aftermarket radio wiring harness by metra®, with oem plug and amplifier integration. 2001 nissan pathfinder stereo wiring information. We all know everyones opinions; 2001 nissan frontier 2dr pickup wiring information: If you had a 4 cylinder it would be downstream after the catalytic converter. I have a 2001 nissan pathfinder and had the stereo changed. Metra preassembled wiring harnesses can make your car stereo installation seamless, or at least a lot simpler. Step by step installation instructions complete with photos, tool list, and wiring detail. I have a bose sound. My mother just purchased a 01 nissan pathfinder with no radio in it. Nissan 1995 stereo wiring connector.

Red right front speaker positive wire (+): 2003 nissan frontier fuse box diagram 06 altima fuse box diagram 2001 nissan frontier fuel pump relay 2004 ranger fuse box diagram 2001 volkswagen passat fuse box diagram 2002 ford ranger. 2001 nissan pathfinder stereo wiring information. Sx nissan 200 1997 2dr hatchback wiring information: , this link shows bank 1 on a 2001 nissan maxima v6 being on the firewall side.

1998 Nissan Pathfinder Stereo Wiring Wiring Diagram Schematic Agency Monitor A Agency Monitor A Aliceviola It
1998 Nissan Pathfinder Stereo Wiring Wiring Diagram Schematic Agency Monitor A Agency Monitor A Aliceviola It from lh5.googleusercontent.com
One of the most time consuming tasks with installing an after market car stereo, car radio, car speakers, car subwoofer, car amplifier, head unit, mobile … 2001 nissan pathfinder car stereo wiring diagram read more » Step by step installation instructions complete with photos, tool list, and wiring detail. 2001 nissan altima 4dr sedan wiring information: Nissan 1995 stereo wiring connector. I have a 2001 nissan pathfinder and had the stereo changed. 2001 nissan pathfinder stereo wiring information. I am installing an after market amp and sub woofers and need the correct colour codes and placement of wires in the harness jack. 1999 nissan pathfinder wiring diagram 2001 part 1 ignition system fuse box 1998 frontier 2000 diagrams stereo 1997 1987 service repair for 1996 05 maxima bose radio sentra in schematic se altima ac 89

Red right front speaker positive wire (+):

Having a nissan stereo wiring diagram makes installing a car radio easy. Jbl gto638 for the rear doors. , this link shows bank 1 on a 2001 nissan maxima v6 being on the firewall side. I need to know what the colored wires correspond to. For example , when a module will be powered up also it sends out a signal of half the voltage plus the technician does not know this, he'd think he has a problem. In the end i did upgrade my stereo. 1999 nissan pathfinder wiring diagram 2001 part 1 ignition system fuse box 1998 frontier 2000 diagrams stereo 1997 1987 service repair for 1996 05 maxima bose radio sentra in schematic se altima ac 89 Will be different from one another. Red right front speaker positive wire (+): 2001 nissan altima 4dr sedan wiring information: Here are the parts i ordered and installed from sonic electronix: Models nissan pathfinder, referred to in the book, were produced in the period from 1985 to 2014. Location of a o2 sensor 2001 nissan maxima bank 1 refers to the side of the engine that #1 cylinder is on , and sensor 2 refers to downstream , after the catalytic converter.

I need a radio colour wiring diagram for my nissan pathfinder that has a bose stereo 6 cd player model here is the information i have on the pathfinder w/bose read numbers from pin side of vehicle connector. I need a radio colour wiring diagram for my nissan pathfinder 2002 that has a bose stereo 6 cd player model # xxxxx can you send me an accurate one ? I need to know what the colored wires correspond to. I have a bose sound. 2001 nissan pathfinder car radio wiring diagram.

2004 Nissan Altima Stereo Wiring Cool Wiring Diagram Flu Pro Flu Pro Profumiamore It
2004 Nissan Altima Stereo Wiring Cool Wiring Diagram Flu Pro Flu Pro Profumiamore It from www.2carpros.com
Nissan pathfinder the main text is set out in an accessible and consistent manner, while the drawings and diagrams successfully complement it, considerably facilitating the implementation of many applied tasks facing the reader. 2001 nissan pathfinder fuse panel diagram wiring schematic frontier fuse box wiring library 2001 nissan pathfinder stereo wiring information. Don't forget to subscribe and hit the notification bell :)would you like to support the channel? I need to know what the colored wires correspond to. We all know everyones opinions; Metra preassembled wiring harnesses can make your car stereo installation seamless, or at least a lot. 1990 nissan pathfinder 4dr suv wiring information

Sx nissan 200 1997 2dr hatchback wiring information:

I need to know what the colored wires correspond to. Whether your an expert nissan electronics installer or a novice nissan enthusiast with a 2001 nissan pathfinder, a nissan car stereo wiring diagram can save yourself a lot of time. 2001 nissan altima 4dr sedan wiring information: 1990 nissan pathfinder 4dr suv wiring information February 11, 2008 at 7:07 pm. 2001 nissan frontier fuse box diagram. 1987 nissan pathfinder wiring diagrams best fold igno ekoegur es. I have a 2001 nissan pathfinder and had the stereo changed. For example , when a module will be powered up also it sends out a signal of half the voltage plus the technician does not know this, he'd think he has a problem. For instance , if a module is powered up and it sends out the signal of 50 percent the voltage in addition to the technician will not know this, he would think he provides a problem, as he or she. 2001 nissan pathfinder stereo wiring information. I have a bose sound. 2001 nissan pathfinder fuse panel diagram wiring schematic frontier fuse box wiring library

By