Home › Unlabelled ›
Yamaha Golf Cart Wiring Diagram Gas - Diagram Yamaha Electric Golf Cart Wiring Diagram Full Version Hd Quality Wiring Diagram Efiwiring Mini Trophy De : See more ideas about golf carts, ezgo golf cart, golf.
Yamaha Golf Cart Wiring Diagram Gas - Diagram Yamaha Electric Golf Cart Wiring Diagram Full Version Hd Quality Wiring Diagram Efiwiring Mini Trophy De : See more ideas about golf carts, ezgo golf cart, golf.. Check the spark plug wires to see that they are free from breaks, cracks. How to change brushes on a golf cart starter generator duration. Golf cart engines are not that different from car or lawn mower engines. Wiring diagrams for yamaha golf carts valid wiring diagram for 2002. 21 circuit wiring harness hot rod universal wire kit for chevy universal ford wiring harness 21 circuit street hot rod universal.
Find solutions to your wiring diagram yamaha golf cart g5 question. Ezgo, club car and yamaha golf carts wiring diagrams and product installation instructions or schematics. Melex golf cart wiring diagram controller models 152. Yamaha golf cart starter generator wiring diagram. *these wiring diagrams are specific to the fsip control that replaces the oem control.
Yamaha Wiring Diagrams from buggiesgonewild.com We also listed another auto need wiring diagram for 2004 club car ds gas 2003 2005 1995 model. Each wire has 420 strands of 4 gauge (awg) (battery cables for golf cart). Ezgo, club car and yamaha golf carts wiring diagrams and product installation instructions or schematics. Buy the best and latest yamaha golf cart on banggood.com offer the quality yamaha golf cart on sale with worldwide free shipping. Yamaha g1a gas wiring diagram. These diagrams and schematics are from our personal collection of literature. If you see any wetness, leave it to dry and then try to start it again. Table of contents chapter 1 general information general service.
I need a color wiring diagram for my 2009 znen navigator 250cc 4stroke liquid cooled gas motorcycle.
Ezgo, club car and yamaha golf carts wiring diagrams and product installation instructions or schematics. We also listed another auto need wiring diagram for 2004 club car ds gas 2003 2005 1995 model. Ez go golf cart wiring diagram gas engine | free wiring diagram. Yamaha g11 g14 g16 g19 g20 ultima golf cart car service manual 500 plus pages in adobe pdf form hours and hours of editing work done all deskewed and clear and straight!!! Find solutions to your wiring diagram yamaha golf cart g5 question. (yamaha golf cart wiring) wiring diagrams & parts list with wire length & quantities included in every shipment !! Yamaha g9 golf cart electrical wiring diagram resistor coil. Golf cart engines are not that different from car or lawn mower engines. *these wiring diagrams are specific to the fsip control that replaces the oem control. There are three types of yamaha golf cart manuals. Made in the usa !!! Eventually you will have to trouble shoot the engine. Table of contents chapter 1 general information general service.
Buy the best and latest yamaha golf cart on banggood.com offer the quality yamaha golf cart on sale with worldwide free shipping. Yamaha g11 g14 g16 g19 g20 ultima golf cart car service manual 500 plus pages in adobe pdf form hours and hours of editing work done all deskewed and clear and straight!!! 1986 ez go golf cart manual 1986 gas ezgo wiring diagram compiled pdf , doc, ppt 2004 ez go gas wiring diagram pdf manual and ebook. Check out our yamaha golf cart selection for the very best in unique or custom, handmade pieces from our car parts & accessories shops. *these wiring diagrams are specific to the fsip control that replaces the oem control.
Schema Yamaha Sun Classic Wiring Diagram Gas Full Hd Pptdiagrams Bruxelles Enscene Be from lh3.googleusercontent.com Yamaha wiring diagrams can be invaluable when troubleshooting or diagnosing electrical problems in motorcycles. Yamaha g9 golf cart electrical wiring diagram resistor coil. Melex golf cart wiring diagram controller models 152. Yamaha golf cart starter generator wiring diagram. .golf cart , this service manual has detailed illustrations as well as step by step instructions,it is 100 percents complete and intact. Each wire has 420 strands of 4 gauge (awg) (battery cables for golf cart). Ezgo, club car and yamaha golf carts wiring diagrams and product installation instructions or schematics. If you see any wetness, leave it to dry and then try to start it again.
Check the spark plug wires to see that they are free from breaks, cracks.
1993 yamaha golf cart back fires anytime above an idle, this is 4 cycle … read more. Diagram on a 1987 ds electric golf cart i have a club car 1987 ds electric golf cart in pieces and would like to put it together for my parents, trying to cut coners in cost, can anyone direct me in a. Yamaha gas golf cart repair by sparkie waller 8 years ago 1 minute, 59 seconds 124,576 views my , yamaha g16a , just stopped dead one afternoon and 14 jul 2020. Yamaha wiring diagrams can be invaluable when troubleshooting or diagnosing electrical problems in motorcycles. Yamaha g11 g14 g16 g19 g20 ultima golf cart car service manual 500 plus pages in adobe pdf form hours and hours of editing work done all deskewed and clear and straight!!! Diy golf cart shows you how to install a primary drive clutch on a yamaha g2, g8, g9, g14, g16, g19, and g22 golf cart. Buy the best and latest yamaha golf cart on banggood.com offer the quality yamaha golf cart on sale with worldwide free shipping. Yamaha golf cart electrical diagram yamaha g1 golf cart wiring diagram electric. Ezgo, club car and yamaha golf carts wiring diagrams and product installation instructions or schematics. Melex golf cart wiring diagram controller models 152. Check out our yamaha golf cart selection for the very best in unique or custom, handmade pieces from our car parts & accessories shops. 917 gas yamaha golf cart products are offered for sale by suppliers on alibaba.com, of which motorized golf carts accounts for 4%, electric there are 117 suppliers who sells gas yamaha golf cart on alibaba.com, mainly located in asia. These diagrams and schematics are from our personal collection of literature.
Club car ds gas ground wire for starter generator fits 1992 up this buggies unlimited oem replacement part has been developed to meet or even exceed the … (yamaha golf cart wiring) wiring diagrams & parts list with wire length & quantities included in every shipment !! *these wiring diagrams are specific to the fsip control that replaces the oem control. 917 gas yamaha golf cart products are offered for sale by suppliers on alibaba.com, of which motorized golf carts accounts for 4%, electric there are 117 suppliers who sells gas yamaha golf cart on alibaba.com, mainly located in asia. Check out our yamaha golf cart selection for the very best in unique or custom, handmade pieces from our car parts & accessories shops.
Yamaha G1a And G1e Wiring Troubleshooting Diagrams 1979 89 Golf Cart Tips from sf.ezoiccdn.com Check the spark plug wires to see that they are free from breaks, cracks. Yamaha golf cart ignition key switch keys gas or electric g11 g21 96 04 see more like this. I need a color wiring diagram for my 2009 znen navigator 250cc 4stroke liquid cooled gas motorcycle. Yamaha g9 golf cart electrical wiring diagram resistor coil. How to change brushes on a golf cart starter generator duration. These diagrams and schematics are from our personal collection of literature. Yamaha g11 g14 g16 g19 g20 ultima golf cart car service manual 500 plus pages in adobe pdf form hours and hours of editing work done all deskewed and clear and straight!!! Ez go golf cart wiring diagram gas engine | free wiring diagram.
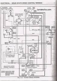
Ez go electric golf cart wiring diagram ez go electric golf cart wiring schematic.
Golf cart engines are not that different from car or lawn mower engines. Ez go golf cart wiring diagram gas engine | free wiring diagram. 917 gas yamaha golf cart products are offered for sale by suppliers on alibaba.com, of which motorized golf carts accounts for 4%, electric there are 117 suppliers who sells gas yamaha golf cart on alibaba.com, mainly located in asia. The top countries of suppliers are japan, china, from. Ezgo, club car and yamaha golf carts wiring diagrams and product installation instructions or schematics. Yamaha golf cart electrical diagram yamaha g1 golf cart wiring diagram electric. We also listed another auto need wiring diagram for 2004 club car ds gas 2003 2005 1995 model. I have a 2004 ezgo gas golf cart.engine does not shut off when accel. A golf cart wiring diagram is a great help in troubleshooting any problems with your golf cart or if you want to replace your own golf cart batteries or you can access the yamaha's schematics for free from the yamaha golf cart owner's manual. Check out our yamaha golf cart selection for the very best in unique or custom, handmade pieces from our car parts & accessories shops. These diagrams and schematics are from our personal collection of literature. Table of contents chapter 1 general information general service. Diy golf cart shows you how to install a primary drive clutch on a yamaha g2, g8, g9, g14, g16, g19, and g22 golf cart.