Home › Unlabelled ›
Occupancy Sensor Wiring Diagram - How To Install A Lutron Maestro Occupancy Sensor On A 3 Way Switch Pretty Handy Girl / I have both black wires going to the black wires on it, and the green/bare together going to the ground.
Occupancy Sensor Wiring Diagram - How To Install A Lutron Maestro Occupancy Sensor On A 3 Way Switch Pretty Handy Girl / I have both black wires going to the black wires on it, and the green/bare together going to the ground.. Occupancy sensors are commonly used in offices and classrooms. An occupancy sensor is an electronic sensor, used for different purposes like to improve the security of occupancy sensor and microwave detector. Make sure the wire supply voltage is the same as the occupancy sensor supply do not operate in ambient. Connect as shown in the wiring diagrams. Schéma de câblage de unipolaire figura 1:
Connect red sensor wire to light's black wire. In the future i plan to automate more things. Occupancy sensors are commonly used in offices and classrooms. Includes wiring diagrams, basic dimensions, remote override wiring, din rail mounting. Instruction sheets specification sheets wiring diagrams.
How To Wire Occupancy Sensor And Motion Detectors from waterheatertimer.org The laundry room has two light switches that control one attached is an image of the wiring diagram for the sensor, and a picture of the wired light switch that i am replacing. Connect lead wires from power pack to line circuit per appropriate wiring diagram as follows: Pir sensing technology requires a direct line of sight to room occupants and is highly resistant to false on events. An occupancy sensor is an indoor motion detecting device used to detect the presence of a person to automatically control lights or temperature or ventilation systems. Each component should be set and connected with other parts in specific manner. Single pole wiring diagram figure 1: There are many types of circuit and wiring diagrams some are very easy to build and some are very complicated, some are so small and some contain huge list of parts. Includes wiring diagrams, basic dimensions, remote override wiring, din rail mounting.
Occupancy sensor working and its applications.
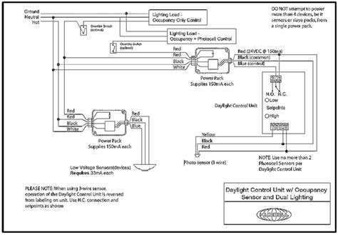
An occupancy sensor is an indoor motion detecting device used to detect the presence of a person to automatically control lights or temperature or ventilation systems. It shows the components of the circuit as simplified shapes, and the skill and signal links in the middle of the devices. 4 | occupancy sensor selection guide. Schéma de câblage de unipolaire figura 1: Occupancy and vacancy sensors maximize energy savings, ensuring that lights are turned on when occupied and turned off or to a lower level when spaces are unoccupied or adequate daylight exists. Occupancy sensor working and its applications. Any help here as to what is wrong would be great. Do you think the problem is, could the factory have wired it wrong inside the housing. An occupancy sensor is an electronic sensor, used for different purposes like to improve the security of occupancy sensor and microwave detector. Installation step by step 1. Each component should be set and connected with other parts in specific manner. Remove the existing switch, if necessary. Connect the blue (occupancy) wire of all sensors together to the blue wire (occupancy) of the primary power pack.
The echo pin will output the time in microseconds the sound wave traveled. If the areas obstructed are not areas normally occupied, the sensor will still be able to see normal occupancy. Oswxx occupancy sensor wiring diagram with single power pack. An occupancy sensor is an electronic sensor, used for different purposes like to improve the security of occupancy sensor and microwave detector. Schéma de câblage de unipolaire figura 1:
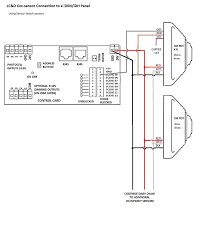
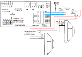
Lc D Connecting Occupancy Sensors To A Idim Idh Micro Panel from acuitybrands.force.com It shows the components of the circuit as simplified shapes, and the skill and signal links in the middle of the devices. Make sure the wire supply voltage is the same as the occupancy sensor supply do not operate in ambient. Occupancy and vacancy sensors maximize energy savings, ensuring that lights are turned on when occupied and turned off or to a lower level when spaces are unoccupied or adequate daylight exists. Omni ceiling mount occupancy sensor product line. And if so does anyone have a diagram of one. An occupancy sensor is an indoor motion detecting device used to detect the presence of a person to automatically control lights or temperature or ventilation systems. Each component should be set and connected with other parts in specific manner. I am installing a 3 way occupancy sensor switch in my laundry room.
4 | occupancy sensor selection guide.
If obstructions can be moved the sensor will have a better view. Connect as shown in the wiring diagrams. They are commonly used for security and saving energy. Motion detectors and occupancy sensors can detect movement and then cause an event to happen. Occupancy sensor working and its applications. I am installing a 3 way occupancy sensor switch in my laundry room. Make sure the wire supply voltage is the same as the occupancy sensor supply do not operate in ambient. Connect red sensor wire to light's black wire. Oswxx occupancy sensor wiring diagram with single power pack. Connect all 3 white wires (from house, from sensor and from light) together. An occupancy sensor is an indoor motion detecting device used to detect the presence of a person to automatically control lights or temperature or ventilation systems. It shows the components of the circuit as simplified shapes, and the skill and signal links in the middle of the devices. In the future i plan to automate more things.
Occupancy sensors are commonly used in offices and classrooms. Occupancy sensor working and its applications. Omni ceiling mount occupancy sensor product line. Pir sensing technology requires a direct line of sight to room occupants and is highly resistant to false on events. View all sensors (17) occupancy sensors (8) combination occupancy & photosensors (1) partition sensors (1) photosensors (3) door sensors (2) sensor accessories (2).
Wiring Diagram For Motion Detector from lh6.googleusercontent.com Occupancy sensors are one kind of devices used for detecting whenever space is empty. Connect as shown in the wiring diagrams. Secure occupancy sensor to bracket using nut provided with occupancy sensor (refer to figure b). Sensor wiring diagrams can be found on pages 16, 17, and 18. Includes wiring diagrams, basic dimensions, remote override wiring, din rail mounting. Make sure the wire supply voltage is the same as the occupancy sensor supply do not operate in ambient. If obstructions can be moved the sensor will have a better view. In the future i plan to automate more things.
And if so does anyone have a diagram of one.
Oswxx occupancy sensor wiring diagram with single power pack. Occupancy sensors are one kind of devices used for detecting whenever space is empty. Occupancy and vacancy sensors maximize energy savings, ensuring that lights are turned on when occupied and turned off or to a lower level when spaces are unoccupied or adequate daylight exists. 4 | occupancy sensor selection guide. Connect all 3 white wires (from house, from sensor and from light) together. Align slot in the bracket base with one of the warning to avoid product degradation: Instruction sheets specification sheets wiring diagrams. Never connect the red (+24vdc) ends of conductors are straight. • if you need to mount. It shows the components of the circuit as simplified shapes, and the skill and signal links in the middle of the devices. Secure occupancy sensor to bracket using nut provided with occupancy sensor (refer to figure b). A wiring diagram usually gives counsel very nearly the relative. If the areas obstructed are not areas normally occupied, the sensor will still be able to see normal occupancy.