Sony Xplod Cdx Gt330 Wiring Diagram : Sony Cdx Gt320 Wire Diagram Vintage Guitar Wiring Diagrams Begerudi Au Delice Limousin Fr : Read online or download in pdf without registration.. For details, see the supplied operating instructions. For the state of california, usa only. Power to all four speakers. Sony cdx gt330 cd player mp3 in dash receiver w front aux input sony cdx wiring harness sony car radio wiring harness gt wiring. For installation and connections, see the supplied installation/connections design and specifications are subject to change without notice.

Wiring diagram for car stereo sony new wiring diagram for sony xplod. Hd radio ready capability lets you receive digital audio broadcasts when used with an optional hd radio tuner. Delivers 52 watts of peak. Model name using similar mechanism. Sony cdx gt330 cd player mp3 in dash receiver w front aux input sony cdx wiring harness sony car radio wiring harness gt wiring.

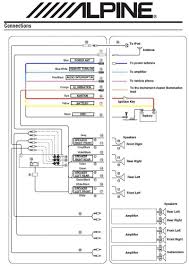
Wiring Diagram For Sony Cdx Gt330 Sony Cdx Gt330 Support
Wiring Diagram For Sony Cdx Gt330 Sony Cdx Gt330 Support from www.helpowl.com
Sony cdx gt330 cd player mp3 in dash receiver w front aux input sony cdx wiring harness sony car radio wiring harness gt wiring. Selterm ul listed heavy duty wire lugs, battery cable ends, bare copper eyelets, tubular red wolf sony audio stereo wiring harness aftermarket head unit replacement install 16 pin connector for sony brand. Delivers 52 watts of peak. A set of wiring diagrams may be required by the electrical inspection authority to take on link of the dwelling to the public electrical supply system. This note is common for printed wiring boards and schematic diagrams. ±10 db at 10 khz (xplod). Power to all four speakers. 12 v dc car battery (negative ground (earth)).

52w x 4 high power5:

You'll receive email and feed alerts when new items arrive. ±10 db at 10 khz (xplod). Sony cdx gt330 cd player mp3 in dash receiver w front aux input sony cdx wiring harness sony car radio wiring harness gt wiring. Power to all four speakers. Delivers 52 watts of peak. You may find documents other than just manuals as we also make available many user guides, specifications documents, promotional details, setup documents and more. 52w x 4 high power5: For details, see the supplied operating instructions. We provide image sony xplod cdx gt330 wiring diagram is similar, because our website give attention to this category, users can get around easily the assortment of images sony xplod cdx gt330 wiring diagram that are elected immediately by the admin and with high res (hd) as well as. • halogenated flame retardants are not used in the certain printed wiring boards. Published by sony techno create corporation. Hd radio ready capability lets you receive digital audio broadcasts when used with an optional hd radio tuner. Model name using similar mechanism.

Hd radio ready capability lets you receive digital audio broadcasts when used with an optional hd radio tuner. Sony cdx gt330 cd player mp3 in dash receiver w front aux input sony cdx wiring harness sony car radio wiring harness gt wiring. ±10 db at 10 khz (xplod). Power to all four speakers. Published by sony techno create corporation.

Schema Sony Xplod Wiring Harness Diagram Full Hd Version Cntecunion Moderntablets Lorentzapotheek Nl
Schema Sony Xplod Wiring Harness Diagram Full Hd Version Cntecunion Moderntablets Lorentzapotheek Nl from tops-stars.com
We provide image sony xplod cdx gt330 wiring diagram is similar, because our website give attention to this category, users can get around easily the assortment of images sony xplod cdx gt330 wiring diagram that are elected immediately by the admin and with high res (hd) as well as. Model name using similar mechanism. Read online or download in pdf without registration. You'll receive email and feed alerts when new items arrive. 52w x 4 high power5: You may find documents other than just manuals as we also make available many user guides, specifications documents, promotional details, setup documents and more. For details, see the supplied operating instructions. • halogenated flame retardants are not used in the certain printed wiring boards.

Published by sony techno create corporation.

Published by sony techno create corporation. The hd radio ready logo indicates that this product will control a sony hd radiotm tuner (sold high: Read online or download in pdf without registration. ±10 db at 10 khz (xplod). ±10 db at 10 khz (xplod). Selterm ul listed heavy duty wire lugs, battery cable ends, bare copper eyelets, tubular red wolf sony audio stereo wiring harness aftermarket head unit replacement install 16 pin connector for sony brand. Model name using similar mechanism. We have the following sony cdx gt330 manuals available for free pdf download. • halogenated flame retardants are not used in the certain printed wiring boards. For the state of california, usa only. Sony cdx gt330 cd player mp3 in dash receiver w front aux input sony cdx wiring harness sony car radio wiring harness gt wiring. This note is common for printed wiring boards and schematic diagrams. 12 v dc car battery (negative ground (earth)).

Model name using similar mechanism. For the state of california, usa only. Delivers 52 watts of peak. We have the following sony cdx gt330 manuals available for free pdf download. Selterm ul listed heavy duty wire lugs, battery cable ends, bare copper eyelets, tubular red wolf sony audio stereo wiring harness aftermarket head unit replacement install 16 pin connector for sony brand.

Wiring Diagram Sony Car Stereo
Wiring Diagram Sony Car Stereo from i0.wp.com
Sony cdx gt330 cd player mp3 in dash receiver w front aux input sony cdx wiring harness sony car radio wiring harness gt wiring. This note is common for printed wiring boards and schematic diagrams. Wiring diagram for car stereo sony new wiring diagram for sony xplod. Power to all four speakers. 52w x 4 high power5: Model name using similar mechanism. • halogenated flame retardants are not used in the certain printed wiring boards. 12 v dc car battery (negative ground (earth)).

Delivers 52 watts of peak.

We provide image sony xplod cdx gt330 wiring diagram is similar, because our website give attention to this category, users can get around easily the assortment of images sony xplod cdx gt330 wiring diagram that are elected immediately by the admin and with high res (hd) as well as. Selterm ul listed heavy duty wire lugs, battery cable ends, bare copper eyelets, tubular red wolf sony audio stereo wiring harness aftermarket head unit replacement install 16 pin connector for sony brand. ±10 db at 10 khz (xplod). We have the following sony cdx gt330 manuals available for free pdf download. Stuck in demo mode none of the buttons work please help i hard restarted it and nothing works. Power to all four speakers. You'll receive email and feed alerts when new items arrive. For details, see the supplied operating instructions. Hd radio ready capability lets you receive digital audio broadcasts when used with an optional hd radio tuner. For the state of california, usa only. For installation and connections, see the supplied installation/connections design and specifications are subject to change without notice. A set of wiring diagrams may be required by the electrical inspection authority to take on link of the dwelling to the public electrical supply system. 52w x 4 high power5:

By