Rs485 Wiring Diagram : Rs 485 Wiring Diagram Electrical Wires Cable Rs 232 Png Clipart Angle Area Black And - A circuit is usually composed by numerous components.. However, the diagram is a simplified version of this structure. A circuit is usually composed by numerous components. It makes the procedure for building circuit simpler. Environment rs485 serial modbus communications. Collection of rs485 wiring diagram you are able to download free of charge.

The first element is emblem that indicate electric element in the circuit. Electrical signaling is balanced, and multipoint systems are supported. Components of rs485 wiring diagram and a few tips. Environment rs485 serial modbus communications. Wiring diagrams help technicians to find out what sort of controls are wired to the.

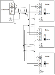
Buku Log Dindon Rs485 2 Wire Connection Diagram
Buku Log Dindon Rs485 2 Wire Connection Diagram from 4.bp.blogspot.com
There are two things which are going to be present in almost any rs485 wiring diagram. Please download these rs485 wiring diagram by using the download button, or right select selected image, then use save image menu. The diagram offers visual representation of a electric arrangement. Environment rs485 serial modbus communications. Components of rs485 wiring diagram and a few tips. It makes the procedure for building circuit simpler. The diagrams below are examples of improperly configured systems. The electronic industries association (eia) and the telecommunications industry.

Please download these rs485 wiring diagram by using the download button, or right select selected image, then use save image menu.

Please download these rs485 wiring diagram by using the download button, or right select selected image, then use save image menu. Simply put, this means there are 2 wires, other than ground, that are used to transmit the signal. The diagrams below are examples of improperly configured systems. It makes the procedure for building circuit simpler. There are two things which are going to be present in almost any rs485 wiring diagram. Electrical signaling is balanced, and multipoint systems are supported. Collection of rs485 wiring diagram you are able to download free of charge. However, the diagram is a simplified version of this structure. The first element is emblem that indicate electric element in the circuit. The diagram offers visual representation of a electric arrangement. Environment rs485 serial modbus communications. Components of rs485 wiring diagram and a few tips. The electronic industries association (eia) and the telecommunications industry.

Wiring diagrams help technicians to find out what sort of controls are wired to the. Electrical signaling is balanced, and multipoint systems are supported. It makes the procedure for building circuit simpler. The diagrams below are examples of improperly configured systems. Collection of rs485 wiring diagram you are able to download free of charge.

Diagram In Pictures Database Serial Rs485 Wiring Diagram Just Download Or Read Wiring Diagram Online Casalamm Edu Mx
Diagram In Pictures Database Serial Rs485 Wiring Diagram Just Download Or Read Wiring Diagram Online Casalamm Edu Mx from hethongdieukhientudong.com
Environment rs485 serial modbus communications. The electronic industries association (eia) and the telecommunications industry. Wiring diagrams help technicians to find out what sort of controls are wired to the. However, the diagram is a simplified version of this structure. A circuit is usually composed by numerous components. There are two things which are going to be present in almost any rs485 wiring diagram. Please download these rs485 wiring diagram by using the download button, or right select selected image, then use save image menu. The diagram offers visual representation of a electric arrangement.

Electrical signaling is balanced, and multipoint systems are supported.

The diagram offers visual representation of a electric arrangement. The diagrams below are examples of improperly configured systems. The electronic industries association (eia) and the telecommunications industry. Environment rs485 serial modbus communications. Collection of rs485 wiring diagram you are able to download free of charge. A circuit is usually composed by numerous components. Please download these rs485 wiring diagram by using the download button, or right select selected image, then use save image menu. Components of rs485 wiring diagram and a few tips. Electrical signaling is balanced, and multipoint systems are supported. It makes the procedure for building circuit simpler. Simply put, this means there are 2 wires, other than ground, that are used to transmit the signal. The first element is emblem that indicate electric element in the circuit. Each example shows the waveform obtained from the improperly designed.

There are two things which are going to be present in almost any rs485 wiring diagram. The diagrams below are examples of improperly configured systems. Simply put, this means there are 2 wires, other than ground, that are used to transmit the signal. A circuit is usually composed by numerous components. Environment rs485 serial modbus communications.

Rs 485 Basic Pinout Diagram
Rs 485 Basic Pinout Diagram from www.usbgear.com
There are two things which are going to be present in almost any rs485 wiring diagram. A circuit is usually composed by numerous components. Each example shows the waveform obtained from the improperly designed. The first element is emblem that indicate electric element in the circuit. It makes the procedure for building circuit simpler. However, the diagram is a simplified version of this structure. Environment rs485 serial modbus communications. Electrical signaling is balanced, and multipoint systems are supported.

Please download these rs485 wiring diagram by using the download button, or right select selected image, then use save image menu.

Wiring diagrams help technicians to find out what sort of controls are wired to the. The first element is emblem that indicate electric element in the circuit. Electrical signaling is balanced, and multipoint systems are supported. Please download these rs485 wiring diagram by using the download button, or right select selected image, then use save image menu. The diagram offers visual representation of a electric arrangement. Environment rs485 serial modbus communications. It makes the procedure for building circuit simpler. The electronic industries association (eia) and the telecommunications industry. A circuit is usually composed by numerous components. The diagrams below are examples of improperly configured systems. Collection of rs485 wiring diagram you are able to download free of charge. However, the diagram is a simplified version of this structure. Components of rs485 wiring diagram and a few tips.

By